搜尋
公司簡介
關於世協
世協品牌故事
生產製造與品質
產品
行星減速機 - 平行出力軸
行星減速機 - 直角型
行星減速機 - 圓形法蘭面中空軸
行星減速機 - 框號300mm以上
行星減速機 - AGV、AMR專用
行星減速機 - 不鏽鋼型
行星減速機 - 門型機械手專用
多輸出軸螺旋傘齒輪減速機(最高減速比500:1)
AC小型標準馬達/齒輪馬達
感應式電磁剎車馬達/齒輪馬達
轉矩馬達
調速馬達/調速齒輪馬達
減速機
齒輪馬達/減速馬達
減速機選用
先依廠牌型號選擇馬達,再選用減速機 (馬達廠牌型號已知)
先依外型尺寸選擇馬達,再選用減速機(馬達廠牌型號未知)
先選減速機,再依廠牌型號選擇馬達
先選減速機,再依外型尺寸選擇馬達
最新消息
新產品
展覽
活動訊息
FAQ
選用訂購
馬達、齒輪馬達
行星減速機
故障排除與維護
檔案下載
產品線簡介
行星減速機
螺旋傘齒輪減速機
齒輪馬達/減速馬達
AC小型標準馬達/齒輪馬達
說明書
Blog
馬達與減速機小知識
產品與技術
應用與案例
聯絡世協
search
繁體中文
繁體中文
English
简体中文
日本語
Deutsch
減速機選用
首頁
減速機選用
已知馬達尺寸
先依外型尺寸選擇馬達,再選用減速機(馬達廠牌型號未知)
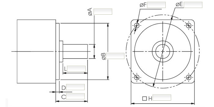
從資料庫選取 (mm)
A
B
C
D
E
F
H
L
Select
4
5
6
6.3
6.335
6.34
6.35
7
8
9
9.007
9.5
9.51
9.512
9.517
9.52
9.525
10
10.2
11
11.008
12
12.68
12.692
12.694
12.7
14
14.008
15
15.875
16
19
19.009
19.05
22
24
24.009
26
28
30
32
32.011
35
38
38.011
42
45
48
55
60
65
70
75
80
85
90.3
Select
Select
Select
Select
Select
Select
Select
or
自行輸入尺寸 (mm)
A
B
C
D
E
F
H
L
額定扭矩 (N-m)
額定轉速 (rpm)
最大轉速 (rpm)
送出
減速機型號:
Select
框號:
Select
減速比:
Select
安全系數:
1.1
1.2
1.3
1.4
1.5
1.6
1.7
1.8
額定輸出扭矩 (N-m)
額定輸入轉速 (rpm)
清除上述規格
送出
先依外型尺寸選擇馬達,再選用減速機(馬達廠牌型號未知)
先依廠牌型號選擇馬達,再選用減速機 (馬達廠牌型號已知)
先依外型尺寸選擇馬達,再選用減速機(馬達廠牌型號未知)
先選減速機,再依廠牌型號選擇馬達
先選減速機,再依外型尺寸選擇馬達
Patent Pending, All Rights Reserved
本網站使用第三方 cookie 來提供最佳瀏覽體驗。若繼續閱覽本網站內容,即表示您同意我們使用 cookies,若不同意請關閉瀏覽器的 cookie 功能,關於更多資訊請閱讀隱私權政策。
我知道了
隱私權政策